
蛇簧聯軸器的結構緊湊、外形尺寸小,適用于連接兩同軸線的中、大功率的傳動軸系。具有補償兩軸相對偏移的減震、緩沖性能。工作溫度為-30℃-+150℃,傳遞公稱轉矩52-931000N.m.一般兩軸相對的許用位移量:軸向為4-20mm;徑向為0.5-3mm;角位移為1°15′。蛇簧聯軸器應用于各工業領域。
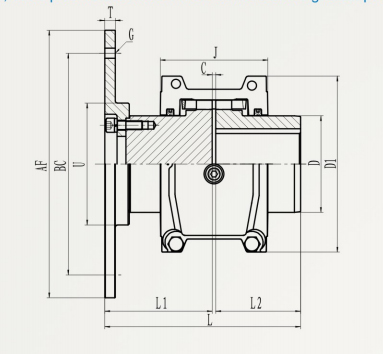
福克T90聯軸器的參數及主要尺寸


電話: 0511-83998589 手機: 13952897281(徐經理) 13952802303(周經理) 18118972615(朱工) 郵箱: sales@zjlianxin.cn 地址: 鎮江市新區丁卯開發區潘宗工業園11號
Copyright ? 鎮江聯鑫聯軸器有限公司 版權所有 蘇ICP備14043855號-2 技術支持:江蘇易潤
專業生產:
